Van bướm (Butterfly Valve) là một trong những loại van công nghiệp đa năng và phổ biến nhất được sử dụng rộng rãi trong nhiều lĩnh vực công nghiệp khác nhau. Với cấu trúc đơn giản, khả năng điều khiển lưu chất linh hoạt và hoạt động ổn định, van bướm trở thành sự lựa chọn hàng đầu cho các nhà sản xuất, kỹ sư quản lý và đơn vị thi công hệ thống đường ống công nghiệp.
Định Nghĩa Và Khái Quát Về Van Bướm
Van bướm hay còn được gọi là "Butterfly Valve" trong tiếng Anh là một loại van dạng cửa được gắn và kết nối với hệ thống đường ống công nghiệp. Nhiệm vụ chính của van bướm là để điều khiển, điều chỉnh và kiểm soát lưu lượng dòng chảy của chất lỏng, hơi khí hay chất rắn lưu thông bên trong đường ống.
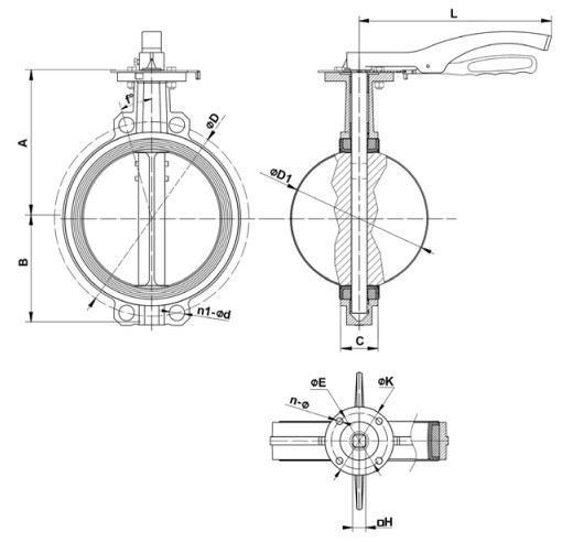
Van bướm có cấu tạo gồm một cánh kép bằng kim loại hình bướm được gắn lắp trên một trục, khi xoay quanh trục này ở các góc độ khác nhau thì cánh bướm sẽ đóng hay mở hoàn toàn hoặc điều chỉnh đường kính đường ống để cho phép lưu chất đi qua hay ngăn chặn dòng chảy theo nhu cầu.
Bên cạnh cánh bướm, các bộ phận chính khác của van bướm gồm có:
-
Thân van: Được đúc bằng các vật liệu kim loại hoặc phi kim như gang, thép, inox, nhựa... Thân van giữ vai trò làm khung giữ các chi tiết của van và gắn kết vào đường ống qua mặt bích, vai lỗ hoặc kết nối hàn.
-
Bộ phận truyền động: Gồm các linh kiện để truyền động cơ khí làm xoay cánh bướm như bánh răng, hộp số... Bộ phận này có thể là tay quay (vân tay), tay gạt cơ khí hoặc liên kết với hệ thống điều khiển bằng động cơ khí nén, động cơ điện.
-
Gioăng làm kín: Là chi tiết đệm làm bằng cao su, teflon có nhiệm vụ ngăn ngừa rò rỉ giữa cánh bướm và thân van.
Với cấu trúc tương đối đơn giản này, van bướm được ứng dụng rộng rãi trong nhiều ngành công nghiệp khác nhau khi có nhu cầu điều khiển, ngăn chặn hoàn toàn hoặc mở toàn bộ đường ống để dòng chảy có thể đi qua.
Cấu Tạo Và Nguyên Lý Hoạt Động Của Van Bướm

Như đã nói ở trên, van bướm có cấu tạo tương đối đơn giản với 4 bộ phận chính gồm:
- Thân van bướm
Thân van bướm được đúc nguyên khối từ các vật liệu như gang, thép carbon, thép không gỉ, nhựa,... Thân van có chức năng làm khung nắm giữ các chi tiết bên trong van và gắn kết van vào hệ thống đường ống thông qua các kiểu lắp đặt sau:
-
Mặt bích: Van có thân với mặt bích để kết nối với các đường ống cùng tiêu chuẩn mặt bích.
-
Wafer: Thân van có lỗ lắp xuyên qua và kẹp giữa hai đường ống thẳng
-
Lug: Có các lỗ gắn lug để lắp với ống qua bulong
-
Đầu tai: Một số loại van có các chân gắn trực tiếp vào ống
Lưu ý, thiết kế của thân van cũng cần đảm bảo đủ không gian cho cánh bướm xoay đóng mở tự do và kín khít với gioăng làm kín.
- Cánh van (Đĩa bướm)
Cánh van hay còn gọi là đĩa bướm là chi tiết quan trọng nhất của van bướm. Nó được chế tạo từ nhiều vật liệu khác nhau phụ thuộc vào môi trường ứng dụng và điều kiện làm việc như: gang, gang dẻo, thép carbon, thép không gỉ, nhôm, nhựa tổng hợp...
Cánh van có hình dạng bán nguyệt hoặc hình bướm, được gắn vào trục xoay để có thể quay đóng/mở hoàn toàn hoặc các góc độ xác định để mở hẹp đường ống tạo ra khả năng điều chỉnh lưu lượng. Cánh van luôn luôn có đường kính lớn hơn đường kính đường ống chính để khi mở ra thì không có cản trở nào cho dòng chảy.
- Bộ phận truyền động
Để đóng/mở hoặc điều chỉnh góc mở của cánh van, van bướm cần phải có một bộ phận để truyền động cho cánh van xoay quay. Các bộ phận này gồm:
-
Tay quay/vô lăng: Đây là bộ phận truyền động cơ khí đơn giản kết nối trực tiếp với trục cánh van để người vận hành xoay mở/đóng van bằng tay.
-
Tay gạt: Thay vì xoay, người vận hành đẩy hoặc kéo tay gạt để đóng mở van.
-
Bộ khí nén hay bộ điện: Các bộ truyền động khí nén hay động cơ điện được lắp thêm để van có thể đóng/mở tự động một cách chính xác theo tín hiệu điều khiển.
Ngoài các bộ phận trên, van bướm còn có thể tích hợp thêm các cơ cấu giảm lực, hộp số truyền động, bánh răng hoặc bộ giám sát cơ khí hay tín hiệu điện tử... tùy thuộc vào yêu cầu điều khiển và hoạt động cụ thể.
- Gioăng làm kín
Gioăng làm kín là chi tiết được chế tạo từ các vật liệu đàn hồi như cao su lưu hóa, teflon, EPDM,...để đảm bảo không xảy ra tình trạng rò rỉ lưu chất khi cánh van đóng chặt lại. Gioăng làm kín thường được gắn chịt quanh cánh van và tiếp xúc với chu vi thân van để tạo ra hiệu quả làm kín cao. Đây cũng là bộ phận cần được thay thế định kỳ theo khuyến cáo của nhà sản xuất để đảm bảo hiệu quả hoạt động cao nhất.
Với cấu trúc gồm 4 bộ phận trên, nguyên lý hoạt động của van bướm cũng tương đối đơn giản như sau:
-
Khi mở van: Người vận hành thao tác xoay vô lăng (hoặc tay gạt) ngược chiều kim đồng hồ. Lúc này, cánh bướm bắt đầu quay xoay ra khỏi vị trí chặn đóng cho phép lưu chất đi qua. Góc mở càng lớn, lưu lượng qua van càng nhiều.
-
Khi đóng van: Xoay vô lăng (hoặc tay gạt) cùng chiều kim đồng hồ để cánh bướm quay trở về vị trí đóng. Tại vị trí đóng, gioăng làm kín sẽ ôm sát với chằn thân van để ngăn chặn hoàn toàn dòng chảy.
Với các loại van bướm điều khiển khí nén hay điện, thao tác đóng/mở sẽ được thực hiện thông qua tín hiệu điều khiển tự động mà không cần đến can thiệp của con người.
Ưu Và Nhược Điểm Của Van Bướm
Với cấu trúc và nguyên lý hoạt động tương đối đơn giản, van bướm mang đến nhiều ưu điểm đáng kể trong vận hành cũng như một vài nhược điểm cần lưu ý.
Ưu điểm của van bướm:
-
Khả năng điều khiển lưu lượng linh hoạt: Van bướm có thể mở hoàn toàn, đóng hoàn toàn hay mở hẹp theo nhiều góc độ khác nhau để tăng/giảm lưu lượng đi qua phù hợp với nhu cầu vận hành hệ thống đường ống.
-
Dễ lắp đặt và vận hành: Cấu tạo đơn giản với các bộ phận phẳng và lắp ghép nhanh chóng giúp việc lắp đặt van bướm trở nên dễ dàng. Các loại tay quay hay tay gạt còn giúp vận hành van rất thuận lợi bằng cách thao tác bằng tay.
-
Đóng/mở nhanh chóng: Nhờ góc quay tạo lực đòn đối trọng nên việc đóng/mở van bướm chỉ mất một thao tác xoay ngắn nhưng vẫn tạo ra quá trình đóng/mở hiệu quả, an toàn và nhanh chóng.
-
Tổn hao áp lực thấp: Khi ở trạng thái mở hoàn toàn, cánh bướm luôn đặt song song với đường dòng nên không tạo ra nhiều cản trở dòng chảy và hạn chế tổn áp lực đường ống.
-
Ứng dụng đa dạng: Van bướm có thể chế tạo từ nhiều loại chất liệu khác nhau phù hợp để sử dụng trong rất nhiều môi trường làm việc khác nhau từ nước, dầu khí, hóa chất cho đến các loại khí, chất lỏng, hỗn hợp rắn.
-
Tính năng an toàn cao: Vị trí hở hoàn toàn hay đóng hoàn toàn là hai vị trí cố định, ổn định giúp van hoạt động an toàn và ít gây hiện tượng búa nước trong đường ống.
-
Chi phí hợp lý: Với cấu trúc tương đối đơn giản, chi phí sản xuất van bướm được đánh giá là hợp lý hơn so với các loại van công nghiệp.
-
Tuổi thọ cao và dễ bảo trì:
Với thiết kế đơn giản chỉ gồm các bộ phận cơ khí co bản, van bướm khá bền bỉ và có tuổi thọ sử dụng cao nếu được bảo dưỡng đúng cách. Việc thay thế hay sửa chữa các bộ phận như cánh van, gioăng làm kín cũng tương đối đơn giản và tiết kiệm chi phí. -
Lắp đặt linh hoạt:
Van bướm có thể được lắp đặt ở nhiều hướng khác nhau trong đường ống như ngang, đứng hay nghiêng với khả năng thích nghi cao. -
Đa dạng kích cỡ:
Van bướm được sản xuất với phạm vi rộng từ các kích thước nhỏ 1/2 inch cho đến các van cỡ lớn 60 inch trở lên. Điều này giúp có nhiều lựa chọn kích thước phù hợp với yêu cầu thực tế của hệ thống đường ống.
Nhược điểm của van bướm:
-
Hạn chế trong điều khiển áp lực:
Cánh van chỉ có khả năng mở/đóng đơn giản nên van bướm không thực sự phù hợp để sử dụng điều khiển áp lực chính xác. -
Giới hạn nhiệt độ và áp lực:
Hầu hết các loại van bướm chỉ được thiết kế để hoạt động trong phạm vi áp lực và nhiệt độ nhất định, thường không phù hợp để sử dụng ở áp suất quá cao (trên 25 bar) hoặc môi trường nhiệt độ cực cao ( trên 450 độ C) -
Không thích hợp cho môi trường cắn rỉ nặng:
Đối với môi trường có tính ăn mòn cao, cánh van và bộ phận làm kín của van bướm sẽ bị hư hỏng nhanh chóng nếu không sử dụng đúng vật liệu chống ăn mòn. -
Dung sai lưu lượng cao hơn khi mở hẹp:
Van bướm có dung sai lưu lượng lớn hơn khi điều khiển ở những vị trí mở hẹp so với khi mở toàn phần. Do đó, việc sử dụng van bướm điều chỉnh lưu lượng một cách chính xác sẽ hạn chế hơn. -
Không thích hợp với lưu chất có hạt cứng lớn:
Các loại van bướm được thiết kế để sử dụng với lưu chất sạch, không có cặn bẩn, hạt rắn lớn sẽ dễ làm kẹt cánh van và làm hỏng gioăng làm kín. -
Hao hụt năng lượng khi mở hẹp:
Khi van bướm mở ở những góc độ hẹp, lưu chất sẽ chảy qua với lực ma sát lớn gây tổn thất áp lực và năng lượng cho hệ thống.
Tuy nhiên, để khắc phục các nhược điểm này, các nhà sản xuất đã không ngừng cải tiến thiết kế và tận dụng hết các vật liệu mới để nâng cao hiệu suất làm việc và mở rộng phạm vi ứng dụng của van bướm. Nhờ những nâng cấp này, van bướm ngày càng được ứng dụng rộng rãi hơn trong nhiều lĩnh vực công nghiệp.
Phân Loại Các Dòng Van Bướm

Trên thị trường, van bướm được phân loại thành nhiều dòng sản phẩm khác nhau theo cấu tạo, tính năng, vật liệu,... để phục vụ cho từng lĩnh vực công nghiệp cụ thể. Cụ thể gồm các dòng phân loại chính sau:
- Phân loại theo chức năng và cấu tạo:
- Van bướm tay quay: Với bộ phận truyền động là vòng quay tay (vô lăng), người vận hành quay trực tiếp để đóng/mở van.
- Van bướm tay gạt: Bộ phận truyền động là tay gạt tạo ra lực đòn đẩy/kéo để đóng mở cánh van
- Phân loại theo phương thức điều khiển:
- Van bướm điều khiển cơ khí (tay quay/tay gạt): Đóng mở bằng thao tác cơ khí trực tiếp của người vận hành.
- Van bướm điều khiển khí nén: Cánh van được mở/đóng bằng động lực khí nén thông qua bộ truyền động khí nén gắn kèm.
- Van bướm điều khiển điện: Sử dụng động cơ điện để truyền động mở/đóng van theo tín hiệu điều khiển.
- Phân loại theo vật liệu chế tạo:
- Van bướm gang: Thân và cánh van được chế tạo từ gang đúc
- Van bướm thép: Chế tạo bằng thép carbon, thép không gỉ
- Van bướm inox: Toàn bộ được làm từ thép không gỉ chống ăn mòn
- Van bướm nhựa: Chế tạo từ các loại nhựa như PVC, CPVC...
- Van bướm đồng: Với thân và cánh van được đúc bằng kim loại đồng
- Van bướm vi sinh: Vật liệu cánh và thân van được tinh chế cho ngành thực phẩm, dược phẩm, y tế
- Phân loại theo kiểu lắp đặt:
- Van bướm lắp mặt bích: Thân van gồm mặt bích để lắp mặt bích ống
- Van bướm lắp wafer: Thân van thiết kế lắp xuyên vào giữa 2 đường ống
- Van bướm lắp dạng lug: Thân van lỗ lug để lắp vào đường ống bằng bulong
- Phân loại theo xuất xứ:
- Van bướm Đài Loan (Taiwan)
- Van bướm Hàn Quốc (Korea)
- Van bướm Nhật Bản (Japan)
- Van bướm Trung Quốc (China)
- Van bướm Malaysia
- Van bướm G7 (Châu Âu, Mỹ, ...)
Đa dạng phân loại trên đã giúp van bướm đáp ứng được nhu cầu và điều kiện vận hành của hầu hết các lĩnh vực và ngành nghề khác nhau. Chính vì vậy mà van bướm được sử dụng rất phổ biến trong nhiều ứng dụng công nghiệp từ xử lý nước, hóa chất, dầu khí, thực phẩm cho đến các hệ thống đường ống tự động hóa.
Các Ứng Dụng Phổ Biến Của Van Bướm
Với nhiều lợi thế về khả năng điều khiển lưu lượng linh hoạt, ứng dụng được với nhiều loại môi trường cùng chi phí vận hành hợp lý, van bướm đã trở thành thiết bị điều khiển đường ống được ưa chuộng trong nhiều ngành công nghiệp khác nhau.
-
Ứng dụng trong xử lý nước và môi trường
Van bướm được sử dụng phổ biến trong các hệ thống xử lý nước sinh hoạt, xử lý nước thải tại các khu đô thị, nhà máy, xí nghiệp. Các loại như van bướm gang, van bướm nhựa, van bướm inox đóng vai trò điều khiển việc lấy nước, xả nước hoặc điều tiết lưu lượng cho các công đoạn xử lý.
Trong các hệ thống thoát nước, van bướm còn được trang bị để kiểm soát lưu lượng, mực nước tại các bể thu gom, trạm bơm nước thải. Đặc biệt, các loại van bướm dao được dùng để kiểm soát và ngăn chặn đất cát, bùn đá lâu năm trong các hệ thống thoát nước mưa, nước thải.
-
Ứng dụng trong ngành xử lý hóa chất
Nhờ có nhiều loại vật liệu chế tạo chống hóa chất khác nhau như nhựa tổng hợp, thép không gỉ, hợp kim đặc biệt... nên van bướm trở thành thiết bị được ưa chuộng trong các nhà máy sản xuất và xử lý hóa chất.
Tại các khu vực phân phối và quá trình xử lý hóa chất, van bướm thường được sử dụng để điều khiển dòng chất lỏng, khí, hơi và hỗn hợp có chứa tạp chất có tính ăn mòn. Trong nhiều trường hợp, van bướm còn đóng vai trò điều khiển lưu lượng hóa chất đi vào các công đoạn xử lý khác nhau.
-
Ứng dụng trong ngành dầu khí
Van bướm đã trở thành thiết bị kiểm soát rất quan trọng trong hệ thống đường ống tại các nhà máy sản xuất, khai thác, vận chuyển và phân phối dầu khí. Với việc sử dụng vật liệu thép đặc chủng cao cấp, van bướm có khả năng chịu được môi trường khói, khí đốt và các sản phẩm dầu khí ở áp suất và nhiệt độ công nghiệp cao.
Van bướm thường được bố trí để kiểm soát tốc độ dòng khí, xăng dầu đi vào hoặc ra khỏi các thiết bị chuyên dụng. Đặc biệt, các dòng van bướm chịu nhiệt, chịu áp lực cao phù hợp để sử dụng trong các dây truyền đường ống chính chảy chất lỏng, khí đốt, dầu mỏ cũng như các hệ thống lọc, tách chất,... Van bướm còn được lắp đặt để đóng ngắt khẩn cấp dòng chảy trong trường hợp sự cố, bảo trì hệ thống.
-
Ứng dụng trong ngành sản xuất thực phẩm, nước giải khát
Tại các cơ sở sản xuất đồ uống hay các nhà máy chế biến thực phẩm đóng hộp, van bướm inox chất lượng cao và đạt tiêu chuẩn chống gỉ, chống ăn mòn thường được lựa chọn sử dụng để đóng vai trò điều khiển việc phân phối lưu chất giữa các công đoạn.
Van bướm có nhiệm vụ điều chỉnh lượng nguyên liệu, bán thành phẩm đi vào hoặc ra khỏi các thiết bị sản xuất, lắp đặt tại các đầu phân luồng hay đường ống dẫn chính. Ngoài ra, van bướm inox cũng đóng vai trò quan trọng trong các hệ thống vệ sinh thiết bị, đường ống, dây chuyền sản xuất thực phẩm.
-
Ứng dụng trong ngành điện, nhiệt điện
Tại các trạm nhiệt điện, van bướm thường được sử dụng để điều khiển dòng chảy của hơi nước nóng, khí đốt đi vào hoặc ra khỏi các tua-bin phát điện. Các dòng van bướm gang, thép chịu nhiệt chính là sự lựa chọn phù hợp để vận hành trong môi trường nhiệt độ và áp lực cao.
-
Ứng dụng trong các nhà máy xi măng, khai thác khoáng sản
Van bướm được sử dụng rộng rãi trong các hệ thống vận chuyển xi măng rời, cát đá, quặng khoáng sản ở những nhà máy, mỏ khai thác. Những loại van bướm đặc biệt như van bướm silo, loại có thân van kín với khả năng chịu được môi trường bụi và chất rắn mài mòn sẽ được ưu tiên lắp đặt.
Các van bướm này thường được bố trí ở các vị trí điều khiển tại các bến bãi, cửa xả hay nơi phân luồng để điều tiết lượng xi măng rời, đá quặng chảy vào hoặc rời khỏi các hệ thống băng tải, đường ống khép kín. Một số khu vực có nhu cầu đóng ngắt khẩn cấp cũng sẽ có van bướm khí nén hoặc điện được lắp đặt.
-
Ứng dụng trong ngành giấy và bột giấy
Trong các nhà máy sản xuất giấy, van bướm thường có nhiệm vụ kiểm soát việc cấp phối bột giấy ở dạng lỏng từ các bể chứa đến các phòng/khu vực sản xuất khác nhau. Loại van bướm có thân và cánh làm từ gang, gang dẻo, nhựa cứng chịu mài mòn cao là sự lựa chọn phù hợp để xử lý loại bột giấy này.
Van bướm còn được sử dụng để điều khiển lưu lượng và ngăn chặn các loại hóa chất, phụ gia cũng như nước trong quá trình sản xuất giấy. Việc bố trí van bướm ở các vị trí thích hợp giúp kiểm soát chặt chẽ các tác nhân này để đạt chất lượng sản phẩm tốt nhất.
-
Ứng dụng trong ngành công nghiệp ô tô, xây dựng và xử lý bột màu
Trong các ngành công nghiệp ô tô, sơn xe cũng như các công ty sản xuất bột màu, van bướm thường được sử dụng để điều khiển việc phân phối các loại bột màu khô từ bình chứa đến các khu vực trộn màu. Các loại van bướm gang, van bướm silo là những sự lựa chọn phù hợp cho môi trường bột màu mịn, chất rắn mài mòn này.
Tại các trạm trộn màu, chất độn màu, van bướm lắp tại các nhánh cấp liệu giúp điều khiển lượng hỗn hợp đi vào máy trộn theo tỷ lệ yêu cầu, qua đó nâng cao năng suất và hiệu quả sản xuất.
-
Ứng dụng trong lĩnh vực giao thông vận tải
Van bướm cũng được ứng dụng khá phổ biến trong các lĩnh vực giao thông vận tải liên quan đến việc vận chuyển các loại chất lỏng, hóa chất. Trong đó, một số ứng dụng điển hình của van bướm bao gồm:
- Kiểm soát vận chuyển xăng dầu, hóa chất tại các nhà ga, trạm dịch vụ.
- Điều khiển các tàu dịch vụ tại cảng cung cấp xăng dầu, nước cho tàu thuyền.
- Lắp đặt trên xe bồn, tàu chở dầu, chở hóa chất để kiểm soát việc xả chất.
- Điều khiển cấp phối nhiên liệu, chất bôi trơn cho các phương tiện vận tải.
-
Ứng dụng trong công nghiệp đóng tàu
Van bướm cũng là một thiết bị quen thuộc trong ngành công nghiệp đóng tàu. Các loại van bướm làm từ thép không gỉ, chống ăn mòn bởi môi trường muối và hải dương thường được lắp đặt trên tàu thuyền để:
- Điều khiển việc xả hoặc bơm dầu, nước vào tàu
- Kiểm soát hoạt động của các tua bin và máy phát tàu
- Điều khiển hệ thống xả khói, thải khí trên tàu
- Phân phối nước ngọt sinh hoạt cho thủy thủ đoàn
Trong công nghiệp đóng mới tàu, van bướm còn được sử dụng để điều tiết quá trình cung cấp chất lỏng, chất khí cho các hoạt động đóng tàu khác nhau như hàn, cắt, ghi...
Ngoài ra, van bướm còn được tìm thấy trong nhiều ứng dụng ngành công nghiệp khác như sản xuất sơn, mực in, cao su, nhựa đường, thuốc nhuộm... hay ở các hệ thống thiết bị chữa cháy, phun sương tại các trung tâm thương mại, công trình công nghiệp. Có thể nói thiết bị công nghiệp đa năng này đã và đang trở thành sự lựa chọn không thể thiếu đối với các kỹ sư thiết kế, quản lý dự án hay nhà vận hành hệ thống đường ống tại mọi ngành nghề.
Yếu Tố Ảnh Hưởng Tuổi Thọ Và Hiệu Quả Làm Việc Của Van Bướm
Như bất kỳ thiết bị máy móc nào khác, việc đảm bảo cho van bướm có tuổi thọ cao và hoạt động lâu dài với hiệu suất tối đa phụ thuộc vào rất nhiều yếu tố khác nhau:
-
Sự phù hợp của vật liệu chế tạo
Vật liệu cấu thành van bướm như gang, thép không gỉ, nhựa, cao su phải phù hợp với môi trường làm việc, tính chất của lưu chất để hạn chế được ăn mòn, mài mòn. Điều này quyết định trực tiếp đến tuổi thọ của các chi tiết quan trọng như cánh van, gioăng làm kín.
-
Quy trình sản xuất và lắp ráp
Van bướm cần phải được sản xuất trên quy trình chất lượng cao với các công đoạn gia công, đúc rèn, mài phẳng chuẩn xác. Quá trình lắp ráp các chi tiết cũng vô cùng quan trọng để đảm bảo van vận hành trơn tru, kín khít, không bị rò rỉ, dịch chuyển khi đóng mở liên tục.
-
Việc tuân thủ các thông số kỹ thuật hoạt động
Mỗi loại van bướm đều được thiết kế để làm việc trong những điều kiện nhiệt độ, áp lực, tải trọng nhất định. Vượt quá các giới hạn này có thể khiến van bị hỏng hóc, chịu tác động lực quá lớn mà làm giảm tuổi thọ các bộ phận bên trong.
-
Sự tương thích với môi trường làm việc
Van bướm sẽ phải chịu tác động trực tiếp của môi trường làm việc như nhiệt độ, áp suất, độ ẩm, hơi ăn mòn, bụi bẩn,... Nếu không phù hợp, van sẽ nhanh chóng bị hư hỏng, mài mòn các bộ phận quan trọng khiến tuổi thọ bị giảm đi.
-
Kỹ thuật lắp đặt và vận hành van
Việc lắp đặt đúng kỹ thuật, vị trí thích hợp cũng như tuân thủ quy trình vận hành đóng/mở an toàn sẽ giúp kéo dài tuổi thọ và phát huy hiệu quả tối đa của van bướm. Lắp đặt sai vị trí, vận hành không đúng cách có thể khiến van bị rạn nứt, lệch trục hoặc hư hỏng nhanh chóng.
-
Công tác bảo trì, bảo dưỡng
Thực hiện đầy đủ công tác bảo trì, bảo dưỡng van bướm theo khuyến nghị của nhà sản xuất là bắt buộc để đảm bảo van hoạt động trơn tru, ổn định lâu dài. Việc bảo dưỡng thường xuyên cũng giúp phát hiện và ngăn ngừa kịp thời các hư hỏng tiềm tàng.
-
Điều kiện bảo quản và hạn chế va chạm
Sau giờ làm việc, việc bảo quản van bướm đúng cách trong kho chứa đóng vai trò quyết định đến tuổi thọ vận hành. Cần hạn chế tối đa va chạm, đặt van nơi khô ráo, thoáng mát và không bị thay đổi nhiệt độ đột ngột.
-
Kiểm tra, thay thế định kỳ chi tiết, phụ tùng
Các bộ phận tiêu hao nhiều như gioăng làm kín, phần lót cách ly, chi tiết xoay trục cần được thay thế định kỳ theo khuyến cáo để đảm bảo van hoạt động ổn định và kín khít. Đây cũng là phương án kinh tế hơn là phải thay thế toàn bộ van bướm mới.
Ngoài ra còn một số yếu tố khác như sử dụng linh kiện, phụ tùng chính hiệu, chất lượng cũng góp phần đảm bảo hiệu quả và tuổi thọ cao cho van bướm. Để vận hành van bướm một cách lâu bền nhất, người vận hành cần có hiểu biết sâu về đặc tính kỹ thuật của van cũng như đảm bảo quá trình lắp đặt, vận hành và bảo dưỡng phù hợp.
Lưu Ý Khi Lựa Chọn, Mua Và Lắp Đặt Van Bướm
Chính vì có quá nhiều yếu tố quyết định đến tuổi thọ, hiệu quả vận hành của van bướm nên việc lựa chọn, mua và lắp đặt sản phẩm này càng phải được thực hiện một cách chuyên nghiệp và kỹ lưỡng. Từ kinh nghiệm 20 năm trong nghề, tôi xin đưa ra một số lưu ý quan trọng cần chú ý:
- Xác định rõ nhu cầu và điều kiện vận hành
Trước hết, bạn cần xác định rõ nhu cầu cần điều khiển lưu lượng hay đóng ngắt hoàn toàn. Điều kiện môi trường làm việc như nhiệt độ, áp lực, tính chất lưu chất và khả năng chống ăn mòn yêu cầu cũng cần được phân tích kỹ lưỡng.
- Chọn đúng loại van bướm phù hợp
Dựa trên nhu cầu và điều kiện đã xác định ở bước 1, bạn cần lựa chọn đúng loại van bướm phù hợp bao gồm vật liệu chế tạo, kích cỡ, phương thức điều khiển, kiểu lắp đặt... Đừng quên cân nhắc năng lực hoạt động, độ tin cậy và khả năng phục vụ dài lâu.
- Lựa chọn nhà sản xuất uy tín, chất lượng
Nguồn gốc xuất xứ và thương hiệu nhà sản xuất cũng vô cùng quan trọng để đảm bảo uy tín, chất lượng cũng như khả năng bảo hành sản phẩm. Những dòng van bướm của các thương hiệu nổi tiếng như Wonil, AUT, Samwoo... thường được coi là uy tín nhất.
- Tham khảo ý kiến các đơn vị phân phối uy tín
Hãy tham khảo ý kiến kỹ thuật từ các đơn vị buôn bán phân phối van bướm chính hãng, uy tín. Họ sẽ tư vấn để bạn chọn được đúng sản phẩm phù hợp cho từng công trình, hệ thống đường ống cụ thể.
- Kiểm tra kỹ lưỡng giấy tờ, chứng nhận
Trước khi quyết định đặt hàng, hãy kiểm tra kỹ lưỡng giấy tờ như chứng chỉ xuất xứ, tiêu chuẩn sản xuất, quy trình kiểm định chất lượng để đảm bảo van bướm đạt tiêu chuẩn và an toàn kỹ thuật. Đặc biệt với các ứng dụng đặc thù, cần phải có các chứng nhận phù hợp về môi trường, an toàn vệ sinh lao động.
- Đặc tả kỹ thuật rõ ràng khi đặt mua
Khi đặt hàng, hãy cung cấp cho nhà phân phối các đặc tả kỹ thuật cần thiết một cách rõ ràng, chính xác về vật liệu, kích thước, áp lực làm việc, kiểu lắp đặt... để họ có thể cung cấp đúng sản phẩm phù hợp. Nhiều sai sót thường xảy ra do không đặc tả kỹ thuật đầy đủ.
- Đảm bảo nguyên vẹn khi nhận hàng và lắp đặt
Khi nhận hàng, hãy kiểm tra tỉ mỉ tình trạng van để đảm bảo còn nguyên vẹn, hoàn hảo để lắp đặt. Đừng quên đọc kỹ hướng dẫn để lắp đặt van bướm một cách chính xác và an toàn theo khuyến cáo của nhà sản xuất.
- Chuẩn bị đầy đủ nhân lực, dụng cụ lắp đặt
Để lắp đặt van bướm dễ dàng và an toàn, cần phải chuẩn bị đầy đủ các phương tiện, dụng cụ cần thiết như pa-lăng, tời trục, dụng cụ xiết bulong... Đồng thời phân công và hướng dẫn nhân lực lắp đặt kỹ lưỡng để tránh sai sót.
- Kiểm tra lại sau quá trình lắp đặt
Sau khi lắp đặt hoàn tất, phải kiểm tra cẩn thận chất lượng lắp đặt, độ vững chãi của van, kích thước khoảng không giữa cánh van và thân để đảm bảo van hoạt động chính xác và không bị kẹt. Cũng cần kiểm tra và bảo đảm không rò rỉ tại vị trí mối nối, mặt bích.
- Vận hành thử nghiệm và lập hồ sơ
Bước cuối cùng là tiến hành vận hành thử nghiệm quá trình đóng/mở của van bướm qua một số chu kỳ để đảm bảo hoạt động đồng bộ và chính xác. Cuối cùng, hãy lập đầy đủ hồ sơ kỹ thuật và tài liệu hướng dẫn sử dụng để lưu trữ và quản lý sau này.
Tuy có nhiều bước cần thực hiện, tuy nhiên chỉ với một chút kỹ lưỡng và lưu tâm thực hiện thì việc lựa chọn, mua và lắp đặt van bướm sẽ trở nên vô cùng đơn giản và an toàn cho người vận hành cũng như các thiết bị đường ống.
Công ty CP Khoa học công nghiệp Đại Nam - Nhà cung cấp hàng đầu về thiết bị máy bơm công nghiệp, van công nghiệp tại Việt Nam. Sản phẩm nhập khẩu 100% từ các thương hiệu uy tín thế giới như Masflo, Zurn, đạt tiêu chuẩn quốc tế Lead Free, Wras, NFPA-20, DIN, EN. Đội ngũ kỹ thuật chuyên nghiệp được đào tạo bởi chuyên gia nước ngoài. Khách hàng gồm các tập đoàn lớn như Samsung, Piaggio, EVN và nhiều dự án trọng điểm quốc gia. Cam kết chất lượng sản phẩm và dịch vụ tốt nhất, xứng đáng là đối tác tin cậy cho mọi công trình.
Liên hệ: Công ty CP Khoa học công nghiệp Đại Nam
Địa chỉ: P303, Tầng 3, Tòa Nhà An Bình 1, số 3 Trần Nguyên Đán, P. Định Công, Q. Hoàng Mai, Hà Nội
Điện thoại: 0383478272
Email: dainam@dainamco.vn
