1. Giới thiệu chung
Van giảm áp TPR-602F nhãn hiệu TLSH-France là dòng van thủy lực điều khiển bằng pilot, được thiết kế để tự động điều chỉnh và duy trì áp suất đầu ra ổn định trong phạm vi cài đặt, bất chấp sự thay đổi của áp suất đầu vào hoặc lưu lượng dòng chảy. Đây là thiết bị không thể thiếu trong các hệ thống cần kiểm soát áp lực, nhằm đảm bảo an toàn cho hệ thống đường ống, thiết bị và người vận hành.
Van hoạt động hoàn toàn tự động, dễ dàng điều chỉnh thông số và được sản xuất từ vật liệu chất lượng cao, thích hợp sử dụng trong môi trường có áp suất cao và yêu cầu độ tin cậy lớn.

2. Ứng dụng
Van giảm áp TPR-602F được sử dụng rộng rãi trong:
- Hệ thống cấp nước sinh hoạt và công nghiệp.
- Hệ thống phòng cháy chữa cháy (PCCC).
- Các trạm bơm tăng áp.
- Hệ thống tưới tiêu, công trình thủy lợi.
- Những khu vực cần ổn định áp lực tại điểm sử dụng, tránh quá tải áp suất cho thiết bị.
3. Nguyên lý hoạt động
Van hoạt động dựa trên điều khiển thủy lực thông qua cụm pilot điều áp:
- Khi áp suất đầu ra thấp hơn mức cài đặt, pilot mở, tạo áp lực để nâng trục van, cho phép dòng chảy tăng và áp suất đầu ra được nâng lên.
- Khi áp suất đầu ra cao hơn mức cài đặt, pilot đóng lại dần, giảm lực tác động lên màng ngăn, khiến trục van hạ xuống, làm giảm lưu lượng và áp suất đầu ra.
- Nhờ cơ chế tự điều chỉnh này, van duy trì áp suất đầu ra ổn định, không bị ảnh hưởng bởi biến động ở đầu vào hay lưu lượng thay đổi.
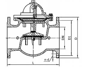
4. Thông số kỹ thuật

Thông số |
Giá trị |
Kích cỡ danh định (DN) |
DN50 – DN250 |
Áp suất làm việc |
16 bar (lên đến 25 bar theo yêu cầu) |
Nhiệt độ làm việc |
+80°C |
Tiêu chuẩn mặt bích |
EN 1092-2 |
Dải áp suất điều chỉnh pilot |
Tiêu chuẩn: 0.9 – 12 bar
Tùy chọn: 0.1 – 5 bar hoặc 7 – 17 bar |
Lưu chất sử dụng |
Nước (clean water) |
Sơn phủ |
Sơn epoxy tĩnh điện chống ăn mòn |
5. Cấu tạo vật liệu
Bộ phận |
Vật liệu |
Thân van (Body) |
Gang cầu (Ductile Iron) |
Nắp van (Bonnet) |
Gang cầu |
Trục van (Stem) |
Thép không gỉ (Stainless Steel) |
Lò xo (Spring) |
Thép không gỉ |
Màng ngăn (Diaphragm) |
Cao su NBR |
Đĩa van (Disc) |
Gang xám |
6. Ưu điểm nổi bật
- Tự động vận hành: Không cần nguồn điện hay tác động cơ khí bên ngoài.
- Điều chỉnh dễ dàng: Có thể thay đổi áp suất cài đặt nhanh chóng thông qua pilot.
- Hoạt động ổn định: Duy trì áp suất đầu ra không đổi trong điều kiện tải thay đổi.
- Chống ăn mòn tốt: Sơn epoxy phủ ngoài giúp chống lại tác động từ môi trường.
- Tháo lắp, bảo trì đơn giản: Thiết kế tối ưu giúp dễ dàng kiểm tra và thay thế linh kiện.